Ingenieurdienstleistungen
Werkstoffuntersuchungen
Bereich zerstörende Prüfungen
Mechanisch-technologische Prüfverfahren
Die mechanische Bearbeitung von Proben sowie die mechanisch-technologische Prüfungen wie Zugversuche, Kerbschlagbiegeprüfungen oder Biegeprüfungen erfolgt in Kooperation mit der am Standort Rostock ansässigen Werkstoffprüflabor der SLV-Mecklenburg-Vorpommern.

Kerbschlagbiegeversuche
Bei uns stehen Sie als Kunde im Mittelpunkt. Wir möchten, dass Sie genau das passende Produkt und die passende Dienstleistung finden. Deshalb ist umfangreiche Beratung unser oberstes Gebot: Damit Sie gut informiert entscheiden können.

Zugversuche
Wir möchten, dass Sie mit unseren Produkten und Dienstleistungen zufrieden sind. Deshalb beraten wir Sie nicht nur vor dem Kauf, sondern stehen Ihnen auch hinterher noch mit Rat und Tat zur Seite und bleiben Ihr zuverlässiger Ansprechpartner.

Härteprüfung (HV, HB, HRC)
Wir möchten, dass Sie mit unseren Produkten und Dienstleistungen zufrieden sind. Deshalb beraten wir Sie nicht nur vor dem Kauf, sondern stehen Ihnen auch hinterher noch mit Rat und Tat zur Seite und bleiben Ihr zuverlässiger Ansprechpartner.

Chemische Analysen
Wir möchten, dass Sie mit unseren Produkten und Dienstleistungen zufrieden sind. Deshalb beraten wir Sie nicht nur vor dem Kauf, sondern stehen Ihnen auch hinterher noch mit Rat und Tat zur Seite und bleiben Ihr zuverlässiger Ansprechpartner.
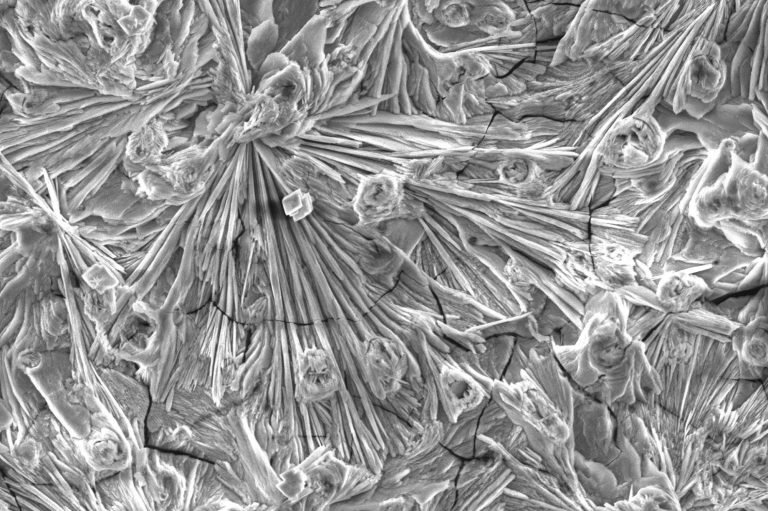
Rasterelektronenmikroskopie
Wir erstellen metallographische Schliffe und untersuchen diese im Auflichtmikroskop !
Metallographie ist die wissenschaftliche Untersuchung von Metallen zur Beurteilung der Qualität der Gefüge. Diese Untersuchungen sind heute fester Bestandteil der Qualitätssicherung bei der Herstellung und Verarbeitung von Metallen. Die quantitative und qualitative Gefügeanalyse erfordert große Erfahrung und wird in der Regel von ausgebildeten Metallographen durchgeführt.
Arbeitsschritte: Schliffbilderstellung | Gefügeanalyse | ggf. Härteprüfung
Metallographische Untersuchungen dienen dazu, die Mikrostruktur und Eigenschaften von Metallen und Legierungen zu analysieren. Dabei werden Anordnung, Größe, Form und Verteilung der verschiedenen Phasen und Strukturen innerhalb eines metallischen Werkstoffes untersucht. Um das Gefüge sichtbar zu machen, muss das Material geschliefen und poliert werden. Anschließend erfolgt eine Kontrastierung mittels auf das Material und der Aufgabenstellung abgestimmter Ätzlösung.

Rasterelektronenmikroskopie
(SE und BSE Detektoren)
Zeit ist Geld – auch für unsere Kunden. Deshalb arbeiten wir in optimierten Prozessen und mit einem gut eingespielten Team. So können wir garantieren, dass wir Sie stets zeitnah bedienen können und dass es nicht zu Wartezeiten kommt.

Unsere Kleinkamer REM
Zeit ist Geld – auch für unsere Kunden. Deshalb arbeiten wir in optimierten Prozessen und mit einem gut eingespielten Team. So können wir garantieren, dass wir Sie stets zeitnah bedienen können und dass es nicht zu Wartezeiten kommt.
Schadensuntersuchungen
Wir erstellen metallographische Schliffe und untersuchen diese im Auflichtmikroskop !
Metallographie ist die wissenschaftliche Untersuchung von Metallen zur Beurteilung der Qualität der Gefüge. Diese Untersuchungen sind heute fester Bestandteil der Qualitätssicherung bei der Herstellung und Verarbeitung von Metallen. Die quantitative und qualitative Gefügeanalyse erfordert große Erfahrung und wird in der Regel von ausgebildeten Metallographen durchgeführt.
Arbeitsschritte: Schliffbilderstellung | Gefügeanalyse | ggf. Härteprüfung
Metallographische Untersuchungen dienen dazu, die Mikrostruktur und Eigenschaften von Metallen und Legierungen zu analysieren. Dabei werden Anordnung, Größe, Form und Verteilung der verschiedenen Phasen und Strukturen innerhalb eines metallischen Werkstoffes untersucht. Um das Gefüge sichtbar zu machen, muss das Material geschliefen und poliert werden. Anschließend erfolgt eine Kontrastierung mittels auf das Material und der Aufgabenstellung abgestimmter Ätzlösung.

Unsere EDX-Systeme
Bei uns stehen Sie als Kunde im Mittelpunkt. Wir möchten, dass Sie genau das passende Produkt und die passende Dienstleistung finden. Deshalb ist umfangreiche Beratung unser oberstes Gebot: Damit Sie gut informiert entscheiden können.

EDX-Spektren
Wir möchten, dass Sie mit unseren Produkten und Dienstleistungen zufrieden sind. Deshalb beraten wir Sie nicht nur vor dem Kauf, sondern stehen Ihnen auch hinterher noch mit Rat und Tat zur Seite und bleiben Ihr zuverlässiger Ansprechpartner.
